- Description
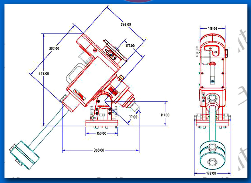
The Linear Fast Reverse is an innovative telescope mount designed for astronomical imaging and manufactured in Italy by Avalon Instruments Srl, a company with more than 30 years of experience in the field of high precision mechanics.
Marketed with the Avalon Instruments trademark, this mount ranks in the medium-size mount range with a weight capacity around 20-25 kg (44 – 55 lb), imaging and observing, respectively.
The Liner Fast Reverse project rises from the passion for astronomy and mechanics taking advantage of more than 20 years of experience and testing, lots of star parties, and spending countless hours under starry skies, with any type of instrumentation. Since the great majority of the problems regards the mount, both design and manufacture have been focused on realizing amount such to overcome technical troubles. Let’s start with the mount, which we consider the main innovation, by explaining the reasons why we chose to switch from the traditional worms and gears mechanism to a new transmission system based on pulleys and tooth belts, for both right ascension and declination.
Pulleys and toothed belts, zero-backlash!
This choice has allowed obtaining several advantages: a really steady motion without play (no backlash) and sudden peaks, factors of paramount relevance for long guided exposures, and during high magnification visual observations. These features are of particular relevance especially for the declination axis motor that can now quickly reverse the motion without breaks to recover the plays: from here the mount name FAST REVERSE. The toothed belts used in the M-uno have a structure made of special material with steel strands to avoid any deformation, elongation, and stress, much better than those used in the automotive engine distribution system (which are generally made of rubber with nylon strands). Considering that the service time for the automotive toothed belts is around 100.000 km (60.000 miles), assuming a medium regime of 2.000 rpm and thermal stress from 0 to 90°C (30 to 195 F) in a few minutes, we can think that the life cycle of the Linear toothed belts will be extremely long!
It is important to underline that in the gear-worm systems the motion transmission has only one tangent point of contact, any errors on each of the two components will, sooner or later, result in tracking errors.
On the other hand, in the pulley-toothed belt system, no direct contact occurs between the pulley, and the motion is transmitted by the belt engaging from 50% to 90% of the girth surface. Consequently, any error, eventually present, is averaged among the cogs, moreover soft, greatly reducing the tracking error.
These features allow the Linear mount to perform guided exposures up to 20-30 minutes with punctiform stars even with optics of 2-3 meters of focal length (see our suggested PHD2 guide parameters table).
No wear, no frictions!
No wearing effects since no relevant frictions occur. In fact, all the pulleys and the axes rotate on roller bearings, 13 for the RA axis and 13 for the DEC axis that allowing reducing the total friction almost to zero.
Another significant advantage of very low frictions is that the risks of motor slipping during GOTO operation is virtually null.
On the contrary, it is well known the difficulty to regulate the coupling between gear and worm in conventional mounts. If the coupling is tight the motors can stuck with consequent loss of position, if the coupling is too loose the plays increase.
On the other hand, the absence of significant play in the M-uno makes the initial calibration of guiding CCD quick and easy.
No lubrifications, no maintenance!
Since there are no gears, there is no need for periodical lubrication of the internal components and therefore the maintenance is extremely reduced and limited to the external cleaning.
This Product Includes:
- Mount Head with StarGO GoTO control system Wi-Fi.
- Polar scope installed in the mount
- Losmandy type dovetail plate for the telescope installation
- Tripod plate and screws for fixing the mount to the tripod.
- Counterweight rod
- 6 kg stainless steel counterweight
- Keypad connecting cable
- Power Supply 15V/4 A
- Warranty Certificate & Testing Certificate
- Metric Allen Wrench key set
- M8 screw for extreme latitudes regulation
- USB flash drive with manuals and software
You may also like
Recently viewed
Recent Blog Posts
View allZWO Duo camera's and compatible image circles
Read More
Navigating Optolong Filters: L-eNhance, L-eXtreme, and L-Ultimate for Astrophotography
Read More
May 2025 The night sky this month. Galaxy season wraps up.
Read More







