- Description
- Electronic focusing capabilities – The ability to focus more conveniently and precisely, whether manually or via automation.
- Standalone focuser design – Unlike other electronic focusers that augment existing systems, this replaces the original focuser.
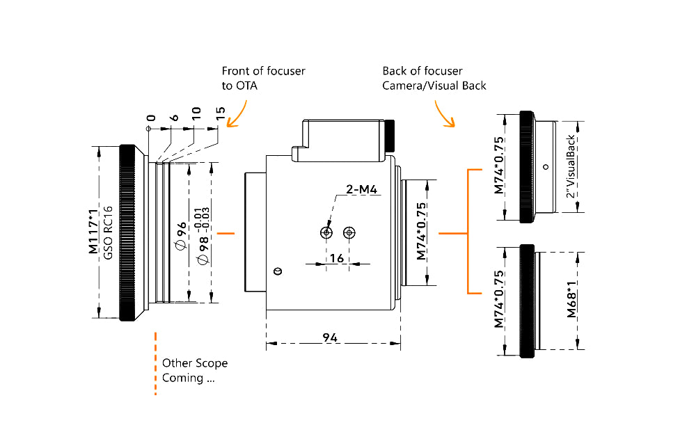
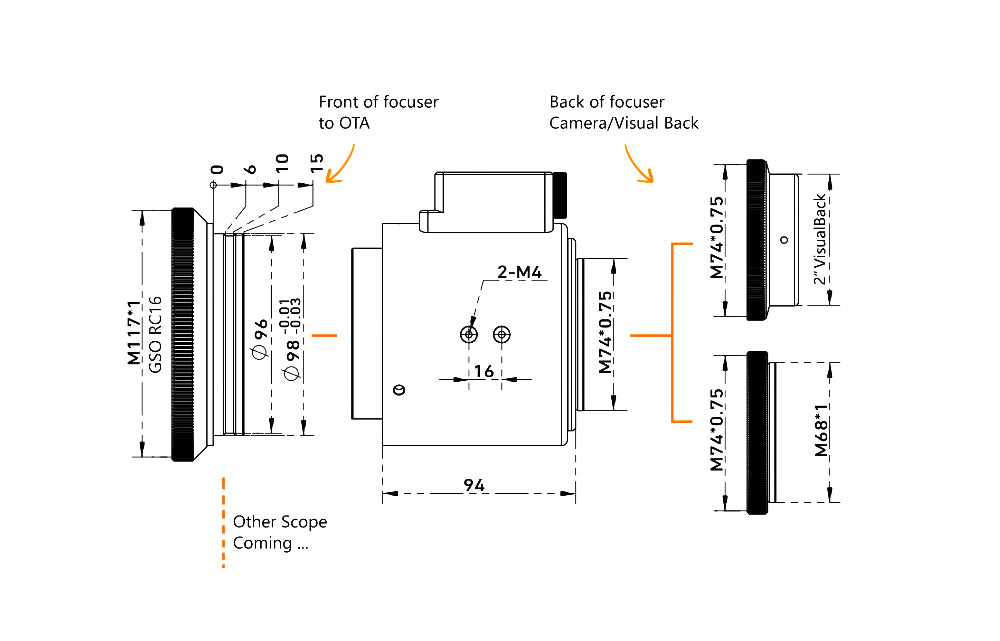
- Compatibility with different telescope types – Can replace a refractor or RC's focuser or be added to an SCT.
- Precision – Achieves 0.6 μm accuracy for sharp astrophotos and views.
- ASCOM & INDI support – Allows integration with astronomy software and automation.
- Multiple control options – USB connectivity, electronic focus buttons, and a manual focus knob.
- Balanced system design – Helps reduce left-right imbalance for better weight distribution.
The iOptron iAFS3 3" Auto Focuser with 2" Visual Back is a high-precision focusing accessory designed to enhance your astrophotography and visual observation experiences. It features a built-in temperature sensor, whisper-quiet operation, a powerful stepper motor, zero backlash, USB connectivity, and compatibility with both ASCOM and INDI systems.
This auto focuser is equipped with a built-in temperature sensor, allowing it to adjust focus automatically in response to temperature changes, ensuring sharp images throughout your observation session. Its whisper-quiet operation minimizes noise, providing a peaceful observing environment.
The powerful stepper motor delivers precise and smooth focusing, eliminating image shifts and ensuring accurate focus adjustments. With zero backlash, the focuser maintains consistent performance without any unwanted movement, enhancing the quality of your observations and astrophotography.
Connectivity is straightforward with the USB interface, allowing seamless integration with your computer for remote focusing control. The iAFS2 is compatible with both ASCOM and INDI drivers, ensuring broad software support and flexibility in various setups.
The iOptron iAFS2 2" Auto Focuser with 2" Visual Back offers advanced features and reliable performance, making it a valuable addition to your astronomical equipment.

You may also like
Recently viewed
Recent Blog Posts
View allZWO Duo camera's and compatible image circles
Read More
Navigating Optolong Filters: L-eNhance, L-eXtreme, and L-Ultimate for Astrophotography
Read More
May 2025 The night sky this month. Galaxy season wraps up.
Read More







